50 Kva மின்மாற்றி துருவ மவுண்ட்-13.8/0.12*0.24 KV|அமெரிக்கா 2025
திறன்: 50 kVA
மின்னழுத்தம்: 13.8-0.12/0.24kV
அம்சம்: HV முறுக்கு: தாமிரம், LV முறுக்கு: அலுமினியம்

நம்பகமான மற்றும் திறமையான 50 kVA துருவ-மவுண்டட் டிரான்ஸ்பார்மர், சிறந்த செயல்திறன் கொண்ட வட அமெரிக்க விநியோக நெட்வொர்க்குகளுக்காக வடிவமைக்கப்பட்டுள்ளது
01 பொது
1.1 திட்ட விளக்கம்
50 kVA சிங்கிள்-பேஸ் துருவ-மவுண்டட் டிரான்ஸ்பார்மரில் 13.8 kV முதன்மை மற்றும் 120/240 V இரண்டாம் நிலை உள்ளது. மேல்நிலை விநியோக மின்மாற்றிகளுக்காக IEEE C57.12.20 க்கு வடிவமைக்கப்பட்டுள்ளது. இது வட அமெரிக்காவில் 13.8 kV மூன்று{10}}கட்டம், மூன்று{11}}வயர் விநியோக நெட்வொர்க்குகளுக்கு ஏற்றது. மின்மாற்றியில் கனிம எண்ணெய் இன்சுலேஷனுடன் ONAN இயற்கை எண்ணெய் குளிர்ச்சி உள்ளது. செயல்திறன் மற்றும் இடத்தை மேம்படுத்துவதில் கவனம் செலுத்துவதன் மூலம், ஸ்கோடெக் அலுமினியம் மற்றும் செப்பு முறுக்கு இரண்டையும் பயன்படுத்துகிறது. துருவமுனைப்பு கழித்தல் மற்றும் திசையன் குழு Ii0 ஆகும், இது விநியோக நெட்வொர்க்கில் சரியான கட்ட வரிசையை உறுதி செய்கிறது. செயல்திறன் சிறப்பம்சங்களில் 0.14 kW சுமை இழப்பு, 0.527 kW சுமை இழப்பு, 0.667 kW மொத்த இழப்புகள் மற்றும் முழு{21}}சுமை திறன் 98.97% ஆகியவை அடங்கும். மின்மறுப்பு 2.86%, வழக்கமான விநியோக மின்மாற்றி வரம்புகளுக்குள். கூடுதலாக, மின்மாற்றியில் -லோட் டேப் சேஞ்சர் (NLTC) பொருத்தப்பட்டுள்ளது
1.2 தொழில்நுட்ப விவரக்குறிப்பு
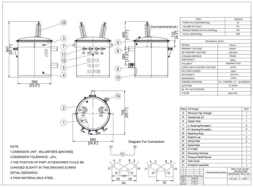
50kVA ஒற்றை கட்ட துருவத்தில் பொருத்தப்பட்ட மின்மாற்றி விவரக்குறிப்பு மற்றும் தரவு தாள்
|
க்கு வழங்கப்பட்டது
அமெரிக்கா
|
|
ஆண்டு
2025
|
|
வகை
துருவத்தில் பொருத்தப்பட்ட மின்மாற்றி
|
|
தரநிலை
IEEE C57.12.20
|
|
மதிப்பிடப்பட்ட சக்தி
50 கே.வி.ஏ
|
|
அதிர்வெண்
60HZ
|
|
கட்டம்
ஒற்றை
|
|
குளிரூட்டும் வகை
ஓனான்
|
|
திரவ காப்பு
கனிம எண்ணெய்
|
|
முதன்மை மின்னழுத்தம்
13.8 கி.வி
|
|
இரண்டாம் நிலை மின்னழுத்தம்
0.12/0.24 கே.வி
|
|
திசையன் குழு
Ii0
|
|
துருவமுனைப்பு
கழித்தல்
|
|
முறுக்கு பொருள்
HV: தாமிரம், எல்வி: அலுமினியம்
|
|
திறன்
98.97 %
|
|
மின்மறுப்பு
2.86%
|
|
சேஞ்சர் என்பதைத் தட்டவும்
என்எல்டிசி
|
|
தட்டுதல் வரம்பு
14400,13800,13200,12870,12540
|
|
சுமை இழப்பு இல்லை
0.14 kW
|
|
சுமை இழப்பில்
0.527 kW
|
|
துணைக்கருவிகள்
நிலையான கட்டமைப்பு
|
1.3 வரைபடங்கள்
50kVA சிங்கிள் பேஸ் பேட் பொருத்தப்பட்ட மின்மாற்றி வரைபடம் வரைதல் மற்றும் அளவு.
![]() |
![]() |
02 உற்பத்தி
2.1 கோர்
தானிய-சார்ந்த சிலிக்கான் ஸ்டீலைப் பயன்படுத்தி, காயத்தின் மையமானது ஃப்ளக்ஸ் பாதையில் ஏற்படும் சிதைவைக் குறைப்பதன் மூலம் சிறந்த காந்த செயல்திறனை வழங்குகிறது. வடிவமைப்பு காந்த செறிவூட்டலைத் தவிர்க்கிறது, சுமை மாறுபாடுகளின் கீழ் நிலையான செயல்பாட்டை உறுதி செய்கிறது. பாரம்பரிய அடுக்கப்பட்ட கோர்களுடன் ஒப்பிடும்போது, காயத்தின் அமைப்பு, அதிர்வு மற்றும் இரைச்சலைக் குறைக்கும் அதே வேளையில், -சுமை இழப்பையும், சுமை மின்னோட்டத்தையும் குறைக்காது. இந்த நன்மைகள் காயத்தின் மையத்தை அதிக ஆற்றல்-திறனுள்ளதாகவும், விநியோக அமைப்புகளில் நம்பகமானதாகவும் ஆக்குகிறது.
2.2 முறுக்கு
உயர் மின்னழுத்த முறுக்கு 99.9% தூய்மையான மின்னாற்பகுப்பு செப்பு கம்பியுடன் கூடிய செறிவான கட்டுமானத்தை ஏற்றுக்கொள்கிறது, எனாமல் காப்பிடப்பட்டது, கடத்துத்திறன் 100% ஐஏசிஎஸ்க்கு குறையாததை உறுதி செய்கிறது. வெப்ப காப்பு 105 டிகிரி வரை தாங்கும். எல்வி முறுக்கு அலுமினியப் படலத்தைப் பயன்படுத்துகிறது, இது சுழல் மின்னோட்ட இழப்பைக் குறைக்கிறது, வலுவான இயந்திர ஒருமைப்பாட்டை உறுதி செய்கிறது மற்றும் பயன்பாட்டு விநியோகத் தேவைகளைப் பூர்த்தி செய்கிறது.

2.3 தொட்டி

மின்மாற்றி தொட்டி என்பது RAL7035 நிறத்தில் மேற்பரப்பு பூச்சுடன் லேசான எஃகு மூலம் செய்யப்பட்ட சீல் செய்யப்பட்ட உருளை அமைப்பாகும். இது ஒருமைப்பாட்டை உறுதிப்படுத்த ஆய்வு அல்லது பராமரிப்பு துளைகள் இல்லாமல் வடிவமைக்கப்பட்டுள்ளது. அணுகலுக்கு நீக்கக்கூடிய குவிமாடம் கவர் பயன்படுத்தப்படுகிறது. மவுண்டிங் அடைப்புக்குறிகள் குறைந்தபட்சம் 3.4 மிமீ தடிமன் கொண்ட எஃகு மூலம் செய்யப்படுகின்றன. முனைகள் தொட்டியின் உடலுக்கு வளைந்து பற்றவைக்கப்படுகின்றன. இது கட்டமைப்பை வலுவாகவும் நீடித்ததாகவும் ஆக்குகிறது.
2.4 இறுதி சட்டசபை
1. முறுக்கு சட்டசபை:HV/LV முறுக்குகளை லேமினேட் செய்யப்பட்ட மையத்தில் ஸ்லைடு செய்து, சரியான சீரமைப்பு மற்றும் காப்பு ஒருமைப்பாடு உறுதி.
2. மின் இணைப்புகள்:இணைப்பு முறுக்குகள், டேப் சேஞ்சர், புஷிங்ஸ் மற்றும் பிற கூறுகளுக்கு வழிவகுக்கிறது, பின்னர் மூட்டுகளைப் பாதுகாத்து காப்பிடவும்.
3. கோர்-சுருள் உலர்த்துதல்:ஈரப்பதத்தை அகற்ற வெற்றிட சூடாக்க ஒரு உலர்த்தும் அடுப்பில் கூடியிருந்த செயலில் உள்ள பகுதியை (கோர் + முறுக்குகள்) வைக்கவும்.
4. தொட்டி நிறுவல்:உலர்ந்த செயலில் உள்ள பகுதியை தொட்டியில் ஏற்றி, அதை பத்திரமாக நிலைநிறுத்தி, தொட்டியின் சுவர்களில் இருந்து சரியான இன்சுலேஷனை உறுதி செய்யவும்.
5. துணைப் பொருத்துதல்:புஷிங்ஸ், பிரஷர் ரிலீஃப் வால்வு மற்றும் பிற பாகங்கள் ஆகியவற்றை நிறுவவும், பின்னர் கசிவுகளைச் சரிபார்க்கவும்.
6. எண்ணெய் நிரப்புதல் மற்றும் தீர்வு:வெற்றிடத்தை-இன்சுலேடிங் ஆயில், டீகாஸ் மூலம் நிரப்பவும், எண்ணெய் அளவுகள் மற்றும் மின்கடத்தா வலிமையைச் சரிபார்க்கும் முன் செட்டில் ஆக அனுமதிக்கவும்.

03 சோதனை
சோதனை தரநிலை மற்றும் வழக்கமான சோதனை
IEEE C57.12.20-2017: மேல்நிலை-வகை விநியோக மின்மாற்றிகளுக்கான IEEE தரநிலை 500 kVA மற்றும் சிறியது; உயர் மின்னழுத்தம், 34500 V மற்றும் கீழே; குறைந்த மின்னழுத்தம்,7970/{5}}YV மற்றும் கீழே
IEEE C57.12.90-2021: திரவத்தில் மூழ்கிய விநியோகம், ஆற்றல் மற்றும் ஒழுங்குபடுத்தும் மின்மாற்றிகளுக்கான IEEE தரநிலை சோதனைக் குறியீடு
CSA C802.1-13 (R2022): திரவ நிரப்பப்பட்ட விநியோக மின்மாற்றிகளுக்கான குறைந்தபட்ச செயல்திறன் மதிப்புகள்
1. எதிர்ப்பு அளவீடுகள்
2. விகித சோதனைகள்
3. துருவமுனைப்பு சோதனை
4. சுமை இழப்புகள் இல்லை மற்றும் சுமை மின்னோட்டம் இல்லை
5. சுமை இழப்புகள் மற்றும் மின்மறுப்பு மின்னழுத்தம்
6. பயன்பாட்டு மின்னழுத்த சோதனை
7. தூண்டப்பட்ட மின்னழுத்தம் தாங்கும் சோதனை
8. காப்பு எதிர்ப்பு அளவீடு
9. திரவத்தில் மூழ்கிய மின்மாற்றிகளுக்கான அழுத்தத்துடன் கசிவு சோதனை
10. எண்ணெய் மின்கடத்தா சோதனை
சோதனை முடிவுகள்
|
இல்லை |
சோதனை பொருள் |
அலகு |
ஏற்றுக்கொள்ளுதல் மதிப்புகள் |
அளவிடப்பட்ட மதிப்புகள் |
முடிவுரை |
|
1 |
எதிர்ப்பு அளவீடுகள் |
/ |
/ |
/ |
பாஸ் |
|
2 |
விகித சோதனைகள் |
/ |
முதன்மை தட்டுதலின் மின்னழுத்த விகிதத்தின் விலகல்: 0.5% க்கும் குறைவாக அல்லது சமமாக இணைப்பு சின்னம்: Ii0 |
-0.02 |
பாஸ் |
|
3 |
துருவமுனைப்பு சோதனைகள் |
/ |
கழித்தல் |
கழித்தல் |
பாஸ் |
|
4 |
இல்லை-சுமை இழப்புகள் மற்றும் தூண்டுதல் மின்னோட்டம் |
% kW |
I0 :: அளவிடப்பட்ட மதிப்பை வழங்கவும் P0: அளவிடப்பட்ட மதிப்பை வழங்கவும் சுமை இழப்பு இல்லாத சகிப்புத்தன்மை +10% |
0.22 0.107 |
பாஸ் |
|
5 |
சுமை இழப்புகள், மின்மறுப்பு மின்னழுத்தம், மொத்த இழப்புகள் மற்றும் செயல்திறன் |
/ kW kW |
t:85 டிகிரி Z%: அளவிடப்பட்ட மதிப்பு Pk: அளவிடப்பட்ட மதிப்பு Pt: அளவிடப்பட்ட மதிப்பு மின்மறுப்புக்கான சகிப்புத்தன்மை ± 10% மொத்த சுமை இழப்புக்கான சகிப்புத்தன்மை +6% |
2.93 0.557 0.664 99.07 |
பாஸ் |
|
6 |
பயன்படுத்தப்பட்ட மின்னழுத்த சோதனை |
/ |
HV:30KV 60s LV: 10kV 60s |
சோதனை மின்னழுத்தத்தின் சரிவு ஏற்படாது |
பாஸ் |
|
7 |
தூண்டப்பட்ட மின்னழுத்தம் தாங்கும் சோதனை |
/ |
பயன்பாட்டு மின்னழுத்தம் (KV): 2 ஊர் காலம்(கள்): 48 அதிர்வெண் (HZ): 150 |
சோதனை மின்னழுத்தத்தின் சரிவு ஏற்படாது |
பாஸ் |
|
8 |
காப்பு எதிர்ப்பு அளவீடு |
GΩ |
HV-LV to Ground தரையிலிருந்து LV{0}}HV தரையிலிருந்து HV&LV |
96.9 49.1 55.8 |
பாஸ் |
|
9 |
கசிவு சோதனை |
/ |
பயன்பாட்டு அழுத்தம்: 20kPA காலம்: 12 மணி |
கசிவு இல்லை மற்றும் இல்லை சேதம் |
பாஸ் |
|
10 |
எண்ணெய் மின்கடத்தா சோதனை |
கே.வி |
45 ஐ விட பெரியது அல்லது அதற்கு சமம் |
59.1 |
பாஸ் |
04 பேக்கிங் மற்றும் ஷிப்பிங்
05 தளம் மற்றும் சுருக்கம்
50 kVA சிங்கிள்-பேஸ் போல்-மவுண்டட் டிரான்ஸ்பார்மர் வட அமெரிக்க மேல்நிலை விநியோக நெட்வொர்க்குகளுக்கு வேலை செய்கிறது. இது ONAN எண்ணெய் குளிர்ச்சியைப் பயன்படுத்துகிறது மற்றும் திறமையாக இயங்குகிறது. கோர் காயம் சிலிக்கான் எஃகு மூலம் செய்யப்படுகிறது. முறுக்குகள் நல்ல செம்பு மற்றும் அலுமினியத்தைப் பயன்படுத்துகின்றன. இது நிலையான மின்னழுத்தம், குறைந்த இழப்புகள் மற்றும் அமைதியான செயல்பாட்டை வழங்குகிறது. மின்னழுத்தத்தை சரிசெய்வதற்கு இது -லோட் டேப் சேஞ்சர் இல்லை. தொட்டி வலுவான மற்றும் சீல் உள்ளது. இது வீடுகள் மற்றும் வணிகங்களுக்கு நன்றாக வேலை செய்கிறது. ஸ்கோடெக் ஒவ்வொரு மின்மாற்றியையும் கவனமாக உருவாக்குகிறது. ஒவ்வொரு அலகும் சர்வதேச தரத்தை பூர்த்தி செய்கிறது.

சூடான குறிச்சொற்கள்: 50 kva மின்மாற்றி கம்பம் ஏற்றம், உற்பத்தியாளர், சப்ளையர், விலை, செலவு
You Might Also Like
167 kVA துருவ விநியோக மின்மாற்றி-14.4/0.6 kV|கனடா 2024
75 kVA பயன்பாட்டு துருவ மின்மாற்றி-34.5/0.12*0.24 kV...
500 kVA துருவத்தில் பொருத்தப்பட்ட மின்மாற்றி-24.94/0...
50 kVA மின்மாற்றி பவர் லைன்-13.8/0.12*0.24 kV|கயானா ...
25 kVA மின்மாற்றி துருவம் பொருத்தப்பட்டது-14.4/0.12 ...
167 KVA துருவ மேல் மின்மாற்றி-34.5/0.347 KV|கனடா 2025
விசாரணையை அனுப்பவும்









